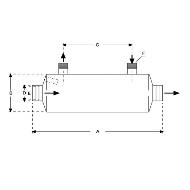
Acélhőcserélőink anyaga AISI 316-V4A rozsdamentes acél. Kiváló hatásfokkal és robosztus kialakítással rendelkeznek. A robosztus átalakítás lehetővé teszi a magas nyomásértékek melletti biztonságos üzemeltetést is. Primer kör maximum 10 bar, szekunder...
