KRIPSOL KARPA Termoplasztik anyagból készült önfelszívó szivattyú
ellenáramoltatókhoz, masszázsokhoz, stb..
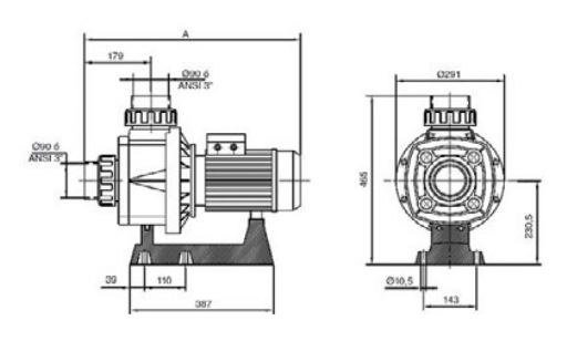
Szívó és nyomó ág D90 hollanderes csatlakozású.
ellenáramoltatókhoz, masszázsokhoz, stb..
Szívó és nyomó ág D90 hollanderes csatlakozású.

