Poolmarket
0
8640 Fonyód, Köztársaság utca 2.

IE3 NKM-G 80-250/240 400/690V

2 187 000 Ft
  • SKU: NKM5038
  • Elérhető: Raktáron

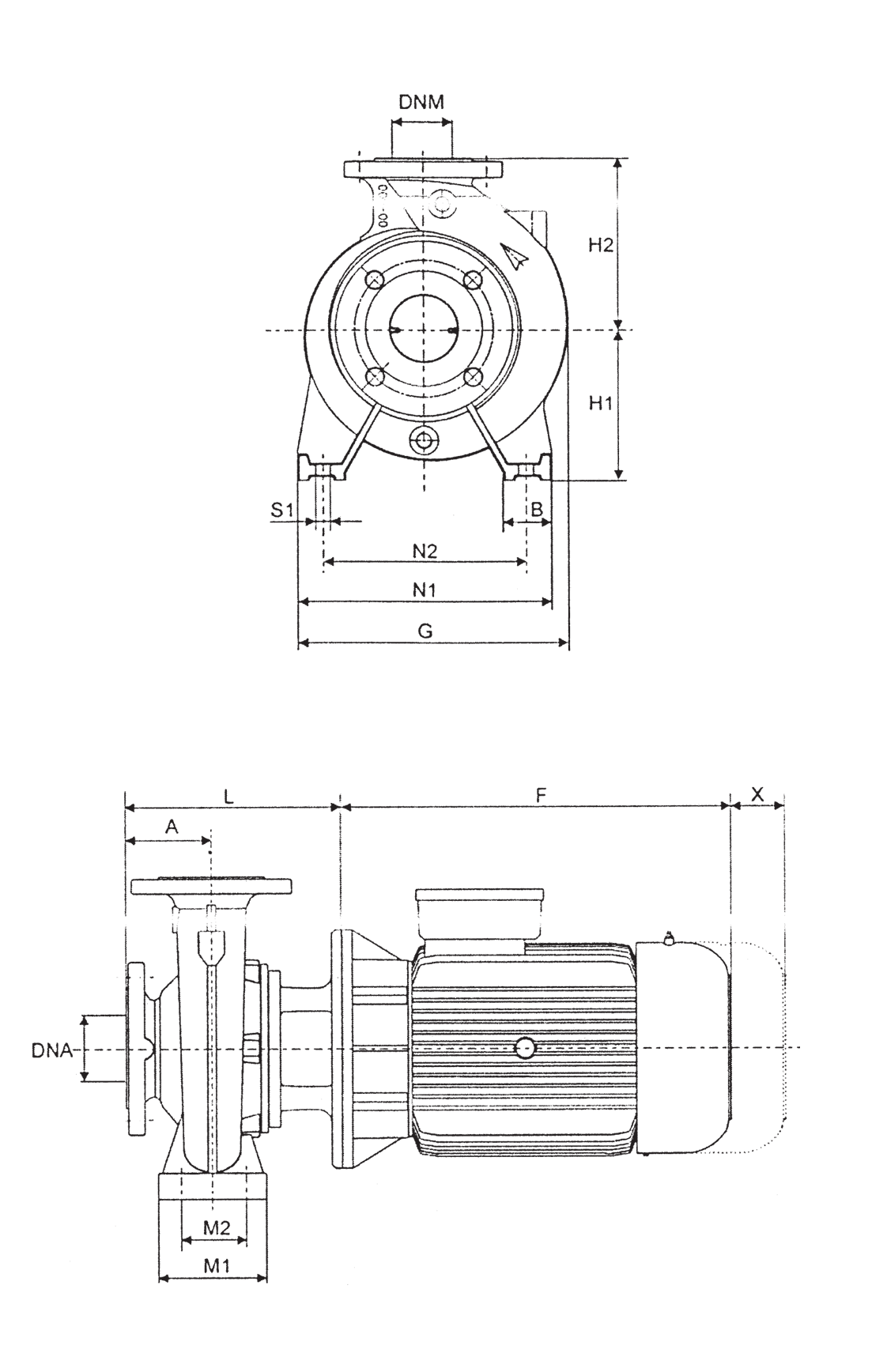
SACI IE3 NKM-G centrifugál szivattyú – Magas hatékonyságú közületi szivattyú

A SACI IE3 NKM-G 65-125/130 centrifugál szivattyú egy kiváló minőségű, monoblokk kialakítású szivattyú, amely megfelel a DIN 24255 (jelenlegi DIN EN733) szabványnak. Ez a k...

Kapcsolódó termékek
2 187 000 Ft x1db