SACI IE3 NKM-G centrifugál szivattyú – Magas hatékonyságú közületi szivattyú
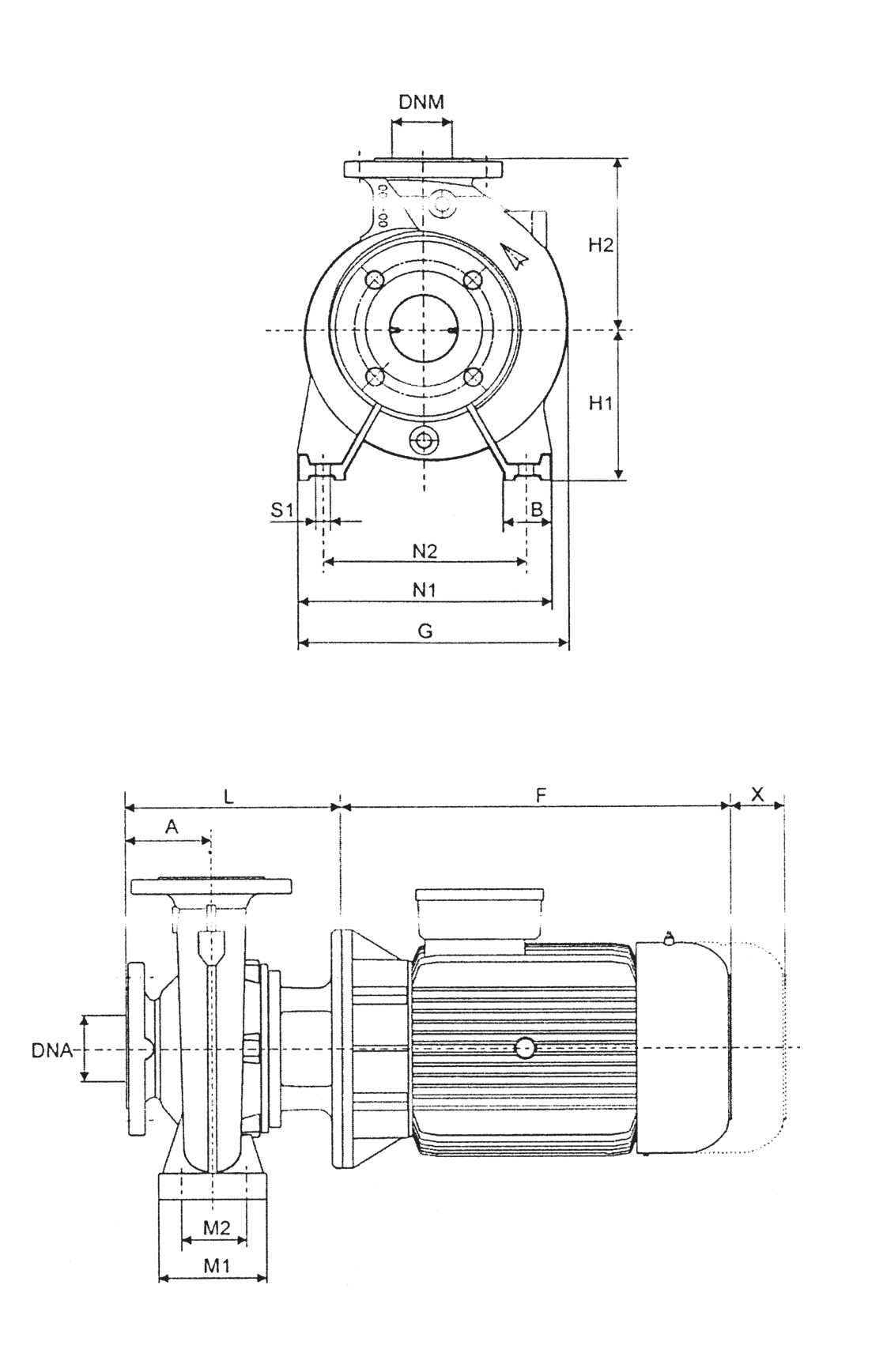
A SACI IE3 NKM-G 65-125/130 centrifugál szivattyú egy kiváló minőségű, monoblokk kialakítású szivattyú, amely megfelel a DIN 24255 (jelenlegi DIN EN733) szabványnak. Ez a k...
