SACI IE3 CR centrifugál szivattyú
A SACI IE3 CR centrifugál szivattyú egy nagy teljesítményű, ipari minőségű szivattyú, amelyet kifejezetten közületi medencék és nagy volumenű vízkezelési alkalmazások számára terveztek. Ideális választás uszodák, we...
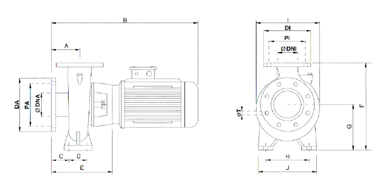
A SACI IE3 CR centrifugál szivattyú egy nagy teljesítményű, ipari minőségű szivattyú, amelyet kifejezetten közületi medencék és nagy volumenű vízkezelési alkalmazások számára terveztek. Ideális választás uszodák, we...

